Voltage Topologies – Part 2 of 2
This article covers the second part of the switching regulator topologies, which will include the isolated converters like Flyback, forward, Push-Pull, Half-Bridge, and Full-Bridge converters.
Voltage Topologies – Part 2 of 2
This article covers the second part of the switching regulator topologies, which will include the isolated converters like Flyback, forward, Push-Pull, Half-Bridge, and Full-Bridge converters.
Isolated DC-DC converters are classified into:
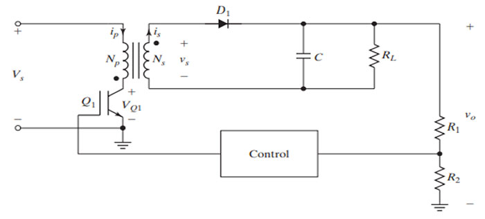
Figure 6 shows the basic topology of a flyback circuit. Unregulated DC voltage obtained from the utility ac supply can be input into the circuit after some filtering and post rectification. The ripple in the DC voltage waveform is usually of low frequency, and the general ripple voltage waveform repeats at twice the ac mains frequency. Since the SMPS circuit operates at a much higher frequency (in the range of 100 kHz), the input voltage, despite being unregulated, may be considered to have a constant magnitude during any high-frequency cycle. A fast switching device ('S'), similar to a MOSFET, is used with fast dynamic control over the switch duty ratio (ratio of ON time to switching time) to maintain the desired output voltage. The transformer, in Figure 6, finds use in voltage isolation and for better matching between input and output voltage and current requirements. The transformer's primary and secondary windings have good coupling so that the almost identical magnetic flux links them.
The flyback transformer's primary and secondary windings resemble two magnetically coupled inductors as they don't conduct simultaneously. It may be appropriate to label the flyback transformer an inductor-transformer. The magnetic circuit design of a flyback transformer is done accordingly to that of an inductor. The flyback transformer’s output section consists of voltage rectification and filtering, which is considerably uncomplicated than most other switched-mode power supply circuits. Figure 6 shows the rectification and filtering of a secondary winding voltage using a diode and a capacitor. The SMPS output voltage is the voltage across this filter capacitor. There are two modes of operation: (1) mode 1 when switch Q1 turns on, and (2) mode 2 when Q1 turns off.

Figure 6: A Flyback converter
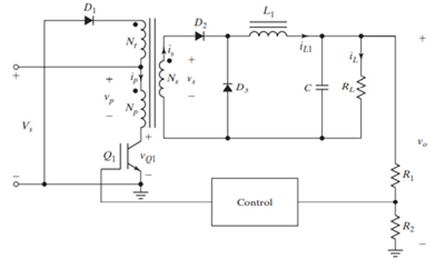
The forward converter resembles the flyback. Figure 7 shows the transformer core reset by reset winding, where the energy stored in the transformer core returns to the supply and the efficiency rises. The dot arrangement on the transformer's secondary winding ensures that the output diode D2 is forward biased when the voltage across the primary is positive, that is, when the transistor is on. Energy is thus not stored within the primary inductance as it was for the flyback. The transformer acts strictly as an ideal transformer. Unlike the flyback, the forward converter operates in the continuous mode. The forward converter is more challenging to control in the discontinuous mode because of a double pole existing at the output filter. There are two modes of operation: (1) mode 1 when switch Q1 turns on, and (2) mode 2 when Q1 turns off.

Figure 7: A Forward converter
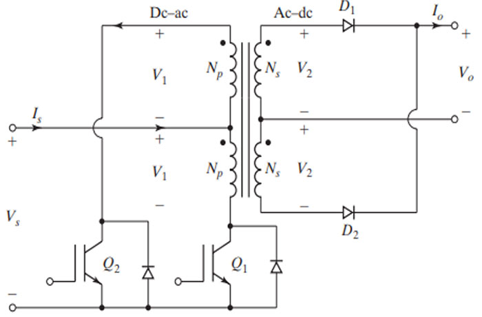
Figure 8 shows a push-pull configuration. When Q1 is on, Vs appears across one-half of the primary. When Q2 is on, Vs applies across the other half of the transformer. The voltage of a primary winding swings from -Vs to Vs. The average current through the transformer should be zero. The average output voltage is
Transistors Q1 and Q2 operate with a 50 percent duty cycle. The open-circuit voltage is Voc = 2Vs, the average current of a transistor is IA = Is/2, and the peak transistor current is Ip = Is., This configuration is suitable for low-voltage applications because the open-circuit transistor voltage is twice the supply voltage. A constant current source often drives the push-pull converter, and the primary current is a square wave that produces a secondary voltage.

Figure 8: A Push-Pull Converter
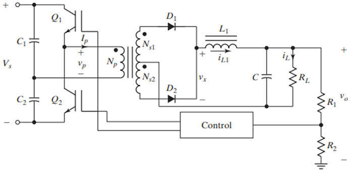
Figure 9 shows a simple configuration of a half-bridge converter. This converter is functionally two back-to-back forward converters fed by the same input voltage, each delivering power to the load at each alternate half-cycle. The placement of capacitors C1 and C2 across the input terminals ensures that the primary winding voltage is always half of the input Vs/2. There are four modes of operation: (1) mode 1 when switch Q1 is on and switch Q2 is off, (2) mode 2 when both Q1 and Q2 are off, (3) mode 3 when switch Q1 is off and switch Q2 is on, and (4) mode 4 when both Q1 and Q2 are off again. Switches Q1 and Q2 turn on and off accordingly to produce a square-wave ac at the primary side of the transformer. This square wave is either stepped down or up by the isolation transformer and rectified by diodes D1 and D2. The rectified voltage is subsequently filtered to produce the output voltage Vo.

Figure 9: A Half-Bridge Converter
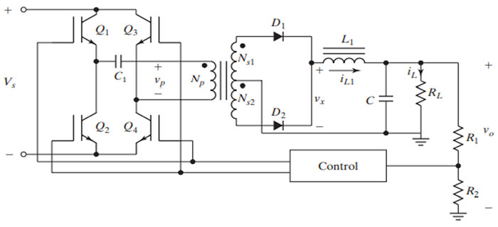
Figure 10 shows the basic configuration of a full-bridge converter with four power switches. There are four modes of operation: (1) mode 1 when switches Q1 and Q4 are on while Q2 and Q3 are off; (2) mode 2 when all switches are off; (3) mode 3 when switches Q1 and Q4 are off, while Q2 and Q3 are on; and (4) mode 4 when all switches are off. Switches turn on and off accordingly to produce a square-wave ac at the primary side of the transformer. The output voltage steps up (or down), rectified, and then filtered to produce a DC output voltage. The capacitor C1 balances the volt-second integrals during the two half-cycles and prevents the transformer from becoming driven into saturation.

Figure 10: A Full-Bridge Converter
No single topology is best for all applications. A given application's correct switching power supply topology depends on particular requirements, including cost, size, time factors, and expected production volume. Opting to buy a suitable converter is prudent to save significant design time.
One of the greatest revolutions in all of human history! AI is an all-encompassing concept that incorporates human intelligence into machines
The #1 Destination for Embedded Evaluation Boards, Development Kits, and Tools
Explore our well-curated library of whitepapers, technical articles, videos, training modules, tutorials, and more to support you in developing your designs, business, and career